Konstrukteur Vittorio Jano - der gute Geist von Alfa Romeo
Zusammenfassung
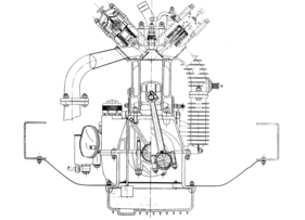
Am 22. April 1991 war es hundert Jahre her, seit Vittorio Jano, einer der grössten Konstrukteure Italiens, geboren wurde. Er war es, der aus der damals kaum bekannten Marke Alfa Romeo einen Namen von Weltruf machte. Viele Fachleute sehen in Jano den Vater der italienischen Gran-Turismo-Wagen. Unter seiner Ägide enstanden so berühmte Wagen wie der P2 oder der Lancia D50.
Dieser Artikel enthält folgende Kapitel
- Von Turin nach Mailand
- Eine neue Abteilung für Jano
- Alfa Romeo war plötzlich weltbekannt
- Von Sieg zu Sieg
- Von Alfa Romeo zu Lancia
- In einem Punkt verschiedener Meinungen
Geschätzte Lesedauer: 9min
Leseprobe (Beginn des Artikels)
Am 22. April 1991 waren es hundert Jahre her, seit Vittorio Jano, einer der grössten Konstrukteure Italiens, geboren wurde. Er war es, der aus der damals kaum bekannten Marke Alfa Romeo einen Namen von Weltruf machte. Viele Fachleute sehen in Jano den Vater der italienischen Gran-Turismo-Wagen. In den zwanziger und dreissiger Jahren wurde Jano in Italien als ein Nationalheld gefeiert. Und er blieb es, erst bei Lancia und später bei Ferrari eine Hauptrolle spielend, bis zu seinem Tode am 13. März 1965. Jano wurde am 22. April 1891 in Turin geboren. Ein technisches Talent war ihm angeboren, denn sein Vater war der technische Chef des Porta-Nuova-Zeughauses von Turin. Der junge Jano besuchte das Istituto Professionale Operaio, eine Fachschule, die er 1909 als Achtzehnjähriger verliess. Es folgte eine 14monatige Tätigkeit als Zeichner für die kleine Autofabrik Rapid, bevor er 1911 einer der 1200 Angestellten von Fiat wurde.
Diesen Artikel kostenlos weiterlesen?
Bilder zu diesem Artikel





























_-_im_Alfa-Romeo_Museum_von_Arese_c_DR.jpg)


















































Kommentare