Designer Vittorio Jano - the good spirit of Alfa Romeo
Summary
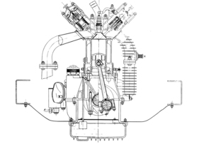
April 22, 1991 marked one hundred years since the birth of Vittorio Jano, one of Italy's greatest designers. It was he who turned the then little-known Alfa Romeo brand into a world-renowned name. Many experts regard Jano as the father of Italian Gran Turismo cars. Famous cars such as the P2 and the Lancia D50 were created under his aegis.
This article contains the following chapters
- From Turin to Milan
- A new department for Jano
- Alfa Romeo was suddenly world-famous
- From victory to victory
- From Alfa Romeo to Lancia
- Differing opinions on one point
Estimated reading time: 9min
Preview (beginning of the article)
On April 22, 1991, it was one hundred years since Vittorio Jano, one of Italy's greatest designers, was born. It was he who turned the then little-known Alfa Romeo brand into a world-renowned name. Many experts regard Jano as the father of Italian Gran Turismo cars. In the twenties and thirties, Jano was celebrated as a national hero in Italy. And he remained so, playing a leading role first at Lancia and later at Ferrari, until his death on March 13, 1965. Jano was born in Turin on April 22, 1891. His technical talent was innate, as his father was the technical director of the Porta Nuova train factory in Turin. The young Jano attended the Istituto Professionale Operaio, a technical school, which he left in 1909 at the age of eighteen. He then worked for 14 months as a draughtsman for the small Rapid car factory before becoming one of Fiat's 1,200 employees in 1911.
Continue reading this article for free?
Images of this article






























_-_im_Alfa-Romeo_Museum_von_Arese_c_DR.jpg)