Jetzt kostenlos registrieren und von vielen Vorteilen profitieren:
Persönliche Merkliste für Fahrzeuginserate, Artikel, Events, Bilder und vieles mehr
LESEN: Mehr als 7000 Artikel und 400'000 Bilder zu Fahrzeugen, Rennwagen, Auktionen, Veranstaltungen, Motorsport-Events & mehr.
NEWSLETTER: Jeden Dienstag das Neueste aus der Redaktion sowie kommende Oldtimer-Events; jeden Donnerstag mit spannenden Fahrzmarkt-Angeboten.
MEIN PROFIL: Persönlicher Speicherort zum Ablegen von Artikeln und Bildern, ausserdem Verwaltung von Inseraten und vieles mehr.
Oder anmelden via soziale Netzwerke
Sie haben schon einen Login?
Wie möchten Sie diesen Inhalt teilen?
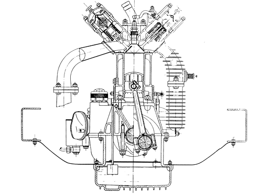
Der 6C-1750-SS- und GS-Motor im Schnitt - Alfa Romeo 6C 1750 SS 1928
BildQuelle: Archiv
553 x 400 px
Information
Info
Liebe Leserin, lieber Leser,
Dieses Bild können Sie ohne Login nicht grösser sehen.
Melden Sie sich doch schnell an oder registrieren Sie sich neu, das ist kostenlos und dauert höchstens ein paar Sekunden.
Zudem kämen Sie in den Genuss folgender Vorteile:
Sehen Sie dieses Bild grösser!
LESEN: Mehr als 7000 Artikel und 400'000 Bilder zu Fahrzeugen, Rennwagen, Auktionen, Veranstaltungen, Motorsport-Events & mehr.
NEWSLETTER: Jeden Dienstag das Neueste aus der Redaktion sowie kommende Oldtimer-Events; jeden Donnerstag mit spannenden Fahrzmarkt-Angeboten.
SUCHEN: Etwa in unserem riesigen digitalen Zeitschriften-Archiv mit 690'000 Seiten (inkl. «auto motor und sport»).
MARKTPLATZ & BEWERTUNG: Finden Sie Marktpreise für 330'000 Oldtimer und Youngtimer - auch für Ihr Fahrzeug. Ausserdem 110'000 Auktionsergebnisse und Oldtimer-Handel: Inserieren oder Suchauftrag anlegen...
MEIN PROFIL: Persönlicher Speicherort zum Ablegen von Artikeln und Bildern, ausserdem Verwaltung von Inseraten und vieles mehr.
UNTERHALTUNG: Lesen Sie in unseren Blogs Spassiges oder Kurioses und testen Sie in hunderten Quiz-Spielen Ihr Oldtimer-Wissen!
1200 x 868 px
Information
Info
Liebe Leserin, lieber Leser,
Die Premium-Grösse (1200px) ist exklusiv ab einer Premium-Light Mitgliedschaft verfügbar.
Werden Sie Premium Light Mitglied und profitieren Sie von vielen Vorteilen:
Zugriff auf die 1200px-Grösse dieses Bildes
Zugriff auf über 7000 Artikel
Zugriff auf über 400'000 Bilder auf zwischengas.com
Zugriff auf über 690'000 digitalisierte Seiten im Zeitschriften-Archiv (inkl. «auto motor und sport», «Automobil Revue», ...)
Zugriff auf alle aktuellen Fahrzeugbewertungen (Daten von Classic Data)
Zugriff auf die Auktionsdatenbank mit 110'000+ Einträgen
PRO Vorteil: Möglichkeit, Online-Werbung abzuschalten
PRO Vorteil: Artikel als PDF drucken
PRO Vorteil: Fahrzeug-Bewertungsverläufe pro Zustand sehen
PRO Vorteil: Original-JPG von allen Bildern aufrufbar sowie Original-Auflösung aller Faksimiles als PDF
Das 1-Jahres-Abo ist über 30% günstiger
Weitere Premium-Angebote inkl. Kombi-Angebote finden Sie im Online-Shop
1444 x 1044 px
Information
Info
Liebe Leserin, lieber Leser,
Die Maximalgrösse ist exklusiv für unsere Premium-PRO Mitglieder verfügbar.
Jetzt Premium PRO für CHF 105.00 / EUR 105.00 kaufen und von vielen Vorteilen profitieren:
Zugriff auf die Maximalgrösse dieses Bildes
Zugriff auf über 7000 Artikel
Zugriff auf über 400'000 Bilder auf zwischengas.com, in Originalauflösung
Zugriff auf über 690'000 digitalisierte Seiten im Zeitschriften-Archiv (inkl. «auto motor und sport», «Automobil Revue», ...)
Zugriff auf alle aktuellen Fahrzeugbewertungen (Daten von Classic Data)
Zugriff auf die Auktionsdatenbank mit 110'000+ Einträgen
PRO Vorteil: Möglichkeit, Online-Werbung abzuschalten
PRO Vorteil: Artikel als PDF drucken
PRO Vorteil: Fahrzeug-Bewertungsverläufe pro Zustand sehen
PRO Vorteil: Original-JPG von allen Bildern aufrufbar sowie Original-Auflösung aller Faksimiles als PDF
Weitere Premium-Angebote inkl. Kombi-Angebote finden Sie im Online-Shop
1 Fahrzeug-Inserat im «Zwischengas Online - Fahrzeugmarkt», 90 Tage Laufzeit, Guthaben verfällt mit Ablauf dieser Mitgliedschaft
500 Zugriffe / Downloads von hochauflösenden Dateien (Original-PDF-Faksimile oder Original-Foto)
Für eine kommerzielle Nutzung dieses Inhalts kann eine Anfrage an die Bildredaktion von Zwischengas gesandt werden. Nicht alle Inhalte sind für kommerzielle Zwecke lizenzierbar.
Weitere Informationen in den AGB.
Kommentare