Vittorio Jano's first Gran Turismo - the Alfa Romeo 6C 1500
Summary
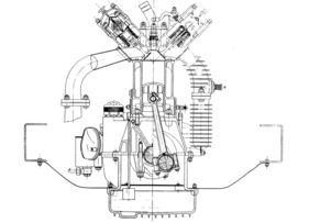
Between 1927 and 1928, the Alfa Romeo company built over 1,000 examples of the 6C 1500, which was an advanced vehicle and was one of the best you could buy for good money in motorsport and on the road. This report briefly tells the story of the 6C 1500 and portrays a 6C 1500 Sport in words and pictures.
This article contains the following chapters
- The 6C 1500 is created
- Sporting successes provide commercial stimulus
- Further development to the 6C 1750
- The last 1500 Sport
- "Motoring for Pleasure"
- 41 years in the same ownership
- Overhauls and restoration
- A ride in the classic Alfa Romeo Gran Turismo
- Use in historic racing
Estimated reading time: 7min
Preview (beginning of the article)
On April 22, 1891, a man was born in Italy who 30 years later brought the then little-known Alfa Romeo brand to worldwide fame: Vittorio Jano. Many experts regard Jano as the father of the Italian Gran Turismo car. Jano joined Alfa Romeo in 1923 and was given his own new department, the "Ufficio di Studi Speciali". The first vehicle he developed was the Tipo P2, assisted by Luigi Fusi, Secondo Molino and Gioachino Colombo. The P2 was a great success and went from victory to victory. In the fall of 1924, Jano was commissioned to build a lightweight and powerful six-cylinder for use on the road. He did not have to wait long.
Continue reading this article for free?
Photos of this article



























































































